丁香花电影高清在线小说阅读-丁香花影院免费观看电视剧哈尔-丁香花影院在线观看免费播放电视剧-丁香花在线高清视频完整版观看

新聞中心
您當前的位置: 新聞中心 >> 行業動態
進口氣動高壓球閥工作原理和結構圖
發布時間:2021/5/5

進口氣動高壓球閥工作原理和結構圖

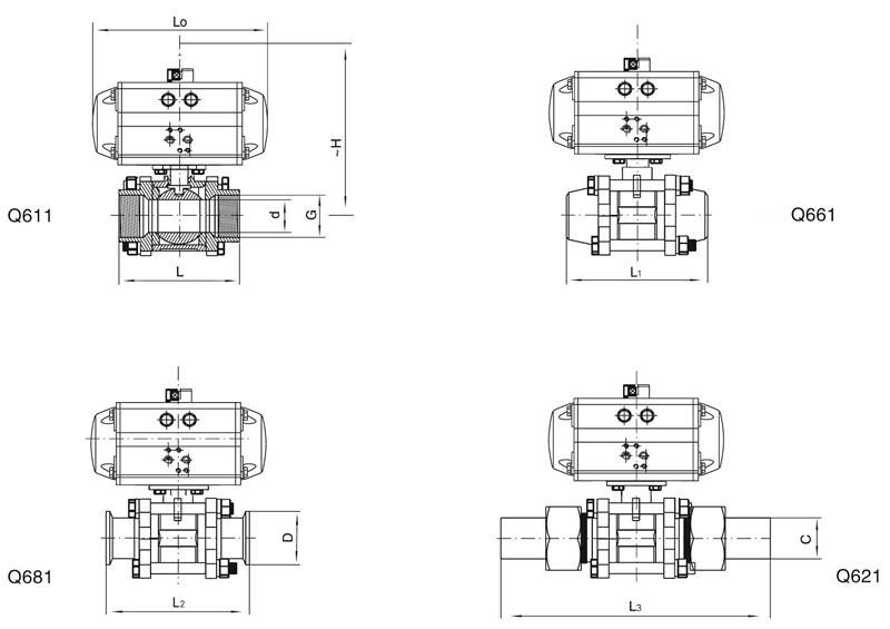
進口氣動高壓球閥由法蘭/內螺紋鍛造高壓球閥與氣動執行器組成,閥體材質均經過硬質及防腐處理,提高了閥體的強度,具有極好的耐壓耐磨的優點。氣動高壓球閥采用三段式閥體,使結構更加緊湊且便于裝配,適用于液壓油,水,高壓氣體等介質。可配以閥門定位器輸入4-20mA的模擬信號從而控制球芯運轉的開度大小,實現對介質壓力、流量、溫度等參數的比例式調節http://www.dongzezhuzao.com/ballvalve-3.html

 

進口氣動高壓球閥結構圖

                                  



進口氣動高壓球閥工作原理

                                                                 


1、當氣動執行器與電路和系統氣源接通后,空氣通過管道AB管進入A缸(B缸)推動活塞向一端運動,從而帶動旋轉軸和球芯轉動90°。

2、氣動執行器頂部連動可視器,當綠色標志指向“開”字時標志閥門開啟。

3、回信器信號燈綠燈亮時閥門處在開啟位置,而紅燈亮時閥門處在關閉位置。

4、定位器可調節閥門管道流量。

 



020-32399500
qrCode