丁香花电影高清在线小说阅读-丁香花影院免费观看电视剧哈尔-丁香花影院在线观看免费播放电视剧-丁香花在线高清视频完整版观看

您當前位置:產品中心 >> 進口球閥 >> 進口高壓快裝球閥
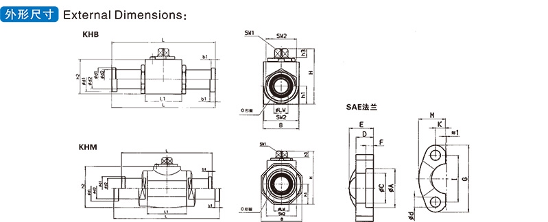
進口高壓快裝球閥
產品概述
進口高壓快裝球閥是一種專為高壓流體控制系統設計的閥門,其特點在于采用快速安裝結構(如卡箍、螺紋或焊接接口),無需法蘭連接即可實現管路集成,適用于需頻繁拆裝的場景15。核心功能包括高壓流體截斷(耐壓范圍10-69MPa)及流量調節,通過球體90°旋轉實現啟閉控制,密封等級滿
產品詳情

進口高壓快裝球閥是一種專為高壓流體控制系統設計的閥門,其特點在于采用快速安裝結構(如卡箍、螺紋或焊接接口),無需法蘭連接即可實現管路集成,適用于需頻繁拆裝的場景。核心功能包括高壓流體截斷(耐壓范圍10-69MPa)及流量調節,通過球體90°旋轉實現啟閉控制,密封等級滿

產品特點

閥體壁厚經有限元分析優化,爆破壓力≥1.5倍公稱壓力(最高達4,137 bar);

金屬硬密封結構(碳化鎢噴涂)耐溫550℃,軟密封(PTFE/PEEK)適應-196~200℃工況。

快速安裝設計

卡箍或螺紋接口縮短安裝時間70%,無需法蘭對中,適配液壓集成塊緊湊布局;

八角手柄設計支持多角度操作,扭矩低于同類閥門50%

智能控制兼容性

可選電動/氣動執行器,響應時間≤1秒,支持4-20mA信號及Modbus通訊。

 


下一個產品:進口碳鋼球閥


020-32399500
qrCode