丁香花电影高清在线小说阅读-丁香花影院免费观看电视剧哈尔-丁香花影院在线观看免费播放电视剧-丁香花在线高清视频完整版观看

您當前位置:產品中心 >> 進口流量計 >> 進口智能式電磁流量計
進口智能式電磁流量計
產品概述
進口智能電磁流量計高清晰度寬溫型OLED顯示;具有流體密度設置,可以顯示質量流量;采用先進的非易失性存貯器,電路可靠性更高,有效地保護設置和測量參數;頻率可編程低頻三值波勵磁,提高了流量測量零點的穩定性,功率損耗低。主要用于測量封閉管道中導電液體和漿液體的體積流量,適用于石油化工、鋼鐵冶金、給水排水、水利灌溉、水處理、環保污水總量控制、電力、造紙、食品等行業,與計算機配套可實現系統控制。
產品詳情

進口智能式電磁流量計用于測量封閉管道中導電液體和漿液體的體積流量,適用于石油化工、鋼鐵冶金、給水排水、水利灌溉、水處理、環保污水總量控制、電力、造紙、食品等行業,與計算機配套可實現系統控制。

 

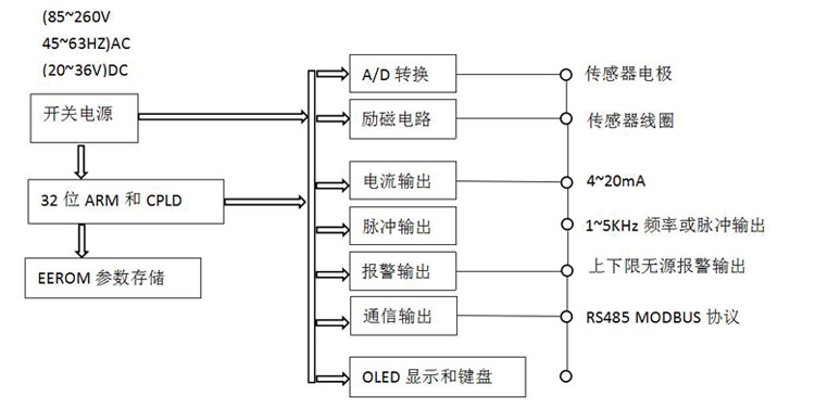
進口智能式電磁流量計工作原理

 

電磁流量計測量原理是基于法拉第電磁感應定律。流量計的測量管是一內襯絕緣材料的非導磁合金短管。兩只電極沿管徑方向穿通管壁固定在測量管上。其電極頭與襯里內表面基本齊平。勵磁線圈由雙向方波脈沖勵磁時,將在與測量管軸線垂直的方向上產生一磁通量密度為B的工作磁場。此時,如果具有一定電導率的流體流經測量管,將切割磁力線感應出電動勢E。電動勢E正比于磁通量密度B、測量管內徑d與平均流速V的乘積,電動勢E(流量信號)由電極檢出并通過電纜送至轉換器。轉換器將流量信號放大處理后,可顯示流體流量,并能輸出脈沖,摸擬電流等信號,用于流量的控制和調節。

在圖1-1中,當導電流體以平均流速V(智能電磁流量計工作原理)通過裝有一對測量電極的一根內徑為D(智能電磁流量計工作原理)的絕緣管子流動時,并且該管子處于一個均勻的磁感應強度為BT)的磁場中。那么,在一對電極上就會感應出垂直于磁場方和流動方向的電動勢(E)。由電磁感應定律可寫做(1)式:



                                     

                            

                           


進口智能式電磁流量計產品特點


1.儀表結構簡單、可靠,無可動部件,工作壽命長。

2.無截流阻流部件,不存在壓力損失和流體堵塞現象。

3.無機械慣性,響應快速,穩定性好,可應用于自動檢測、調節程控系統。

4.測量精度不受被測介質的種類及其溫度、粘度、壓力等物理量參數的影響。

5.傳感器與表頭連接處單獨設計的密封件,可防止外界濕氣從連接處進入表頭和傳感器。

6.勵磁線及電極線均采用優質的單芯屏蔽線,可降低干擾,提高信號的潔凈度,從而提高測量精度。

7.傳感器表面油漆采用金屬氟碳漆,金屬氟碳漆中氟碳樹脂分子連上的氟碳鍵能夠抵抗紫外線的降解作用,表現出極其優異的耐久性、耐紫外線及耐侯性,使金屬氟碳漆涂層長久完美如新,減少維修的要求。

8.具有雙向流量測量,雙向總量累計功能,內部具有三個積算器可分別顯示正向累積值,反向累積值及差值積算量。

9.頻率可編程低頻三值波勵磁,提高了流量測量的穩定性,功率損耗低。

10.采用新型32ARM+CPLD集成度高,運算速度快,計算精度高。

11.全數字量處理,抗干擾能力強,測量可靠。

12.超低EMI開關電源,適用電源電壓變化范圍大,效率高,溫升小,EMC性能好。

13.中英文菜單操作,使用方便,操作簡單,易學易懂。

14.高清晰度寬溫型OLED顯示。

15.使用智能化判斷,不采用測量修正設置,空管報警與電極檢測應用更加便捷。

16.先進的“粗大誤差處理”技術,能夠切除漿液等流體測量尖狀干擾,減小輸出跳動,保18.持高精度測量并使輸出更加穩定。

17.具有自檢與自診斷功能。

18.新的鍵盤處理方式,避免鍵盤操作影響測量。可以進、退位操作菜單,使參數設置更加便捷。

19.AD421電流專用芯片使得4-20mA電流輸出更加穩定。



                                       

                                      


                              

                                

進口智能式電磁流量計技術參數


名稱

Focmag3102電磁流量計

公稱通徑

DN10-DN1800

介質電導率

5uScm

精確度

0.5 級、1.0 ( 隨口徑區分 )

流速范圍

0.5-10m/s 推薦1-5m/s

環境溫度

傳感器:(-40+80),轉換器:(-l5+50)

介質溫度

100

襯里材料

聚四氟乙烯、聚氯丁橡膠、聚氨脂、聚全氟乙丙烯 (F46) PFA

電極材料

316L、哈氏合金 C、哈氏合金 B、鈦、鉭、鉑/銥合金、不銹鋼涂覆碳化鎢

壓力等級

DN10-DN4001.6MPa DN450-DN600:1.0MPa DN700:0.6Mpa特殊規格訂貨時請注明

殼體材質

碳鋼 不銹鋼

安裝形式

一體式;分體式

通訊

RS485Modbus協議)、HART

輸出信號

全隔離(4-20mA電流、脈沖、上下限報警)

負載電阻

4-20mA0-750Ω

消耗功率

15W

電源

220V AC 50HZ24V DC

顯示器顯示

瞬時流量、流速、百分比、空管比、正.反向累積、報警顯示

防護等級

IP65 IP68(需特殊定制)

防爆等級

ExBT6 Gb

電器接口

M20*1.5

 

 

口徑

測量范圍

口徑

測量范圍

口徑

測量范圍

(mm)

(m 3 /h)

(mm)

(m 3 /h)

(mm)

(m 3 /h)

DN10

0.14 1.40

DN125

22.08 441.56

DN700

692.37 13847.40

DN15

0.32 6.36

DN150

31.79 635.85

DN800

904.32 18086.40

DN20

0.57 11.30

DN200

56.52 1130.4

DN900

1144.5 22890.60

DN25

0.88 17.66

DN250

88.31 1766.25

DN1000

1413.0 28260.00

DN32

1.45 28.94

DN300

127.17 2543.40

DN1200

2034.7 40694.40

DN40

2.26 45.22

DN350

173.09 3461.85

DN1400

2769.4 55389.60

DN50

3.35 70.65

DN400

226.08 4521.60

DN1600

3617.2 72345.60

DN65

5.97 119.40

DN450

286.31 5722.65

DN1800

4578.1 91562.40

DN80

9.04 180.86

DN500

353.25 7065.00

 

 

DN100

14.13 282.60

DN600

508.68 10173.6

 

 

 

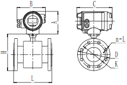
產品外形尺寸

 

一體型

 

A=155mm

B=200mm

C=240mm

總高=H+A

分體型

 

A=85mm

B=155mm

C=115mm

總高=H+A

 

 

 

公稱通徑DN

壓力等級

法蘭外徑D

螺栓孔中心圓直徑K

螺栓孔 n-L

總長L

高度H

參考重量kg

10

PN40

90

60

4-φ14

200

190

10

15

PN40

95

65

4-φ14

200

190

10

20

PN40

105

75

4-φ14

200

190

10

25

PN40

110

85

4-φ14

200

200

10

32

PN40

140

100

4-φ18

200

205

11

40

PN40

150

110

4-φ18

200

215

12

50

PN40

165

125

4-φ18

200

220

15

65

PN16

185

145

4-φ18

200

240

16

80

PN16

200

160

8-φ18

200

255

18

100

PN16

220

180

8-φ18

250

270

20

125

PN16

250

210

8-φ18

250

300

25

150

PN16

285

240

8-φ22

300

330

30

200

PN16

340

295

12-φ24

350

390

45

250

PN16

405

355

12-φ26

450

450

65

300

PN16

460

410

12-φ28

500

500

79

350

PN16

520

470

16-φ30

550

520

95 1

400

PN16

580

525

16-φ32

600

635

40

450

PN10

615

565

20-φ26

600

685

150

500

PN10

670

620

20-φ26

600

750

170

600

PN10

780

725

20-φ30

600

830

200

700

PN6.0

860

810

24-φ26

700

890

335

800

PN6.0

975

920

24-φ30

800

1095

440

900

PN6.0

1075

1020

24-φ30

900

1195

568

1000

PN6.0

1175

1120

28-φ30

1000

1295

758

1200

PN6.0

1405

1340

32-φ33

1200

1395

875

1400

PN6.0

1630

1560

36-φ36

1400

1595

1235

1600

PN6.0

1830

1760

40-φ36

1600

1700

1650

1800

PN6.0

2045

1970

44-φ39

1800

1930

1790


安裝方式

★通用要求

a、為了安裝、維護、保養方便,在流量計周圍需保留足夠的空間

b、避免流量計安裝在溫度變化很大或受到設備高溫輻射的場所

c、流量計應安裝在室內,如安裝在室外,應避免陽光直射,必要時請安裝防曬裝置

d、避免流量計安裝在含有腐蝕性氣體的環境中

e、避免流量計安裝在有強振動源、強磁場的場所


★工藝管要求

a、 上、下游工藝管的內徑與流量計的內徑應滿足:0.98DND1.05DNDN:流量計內徑;D:工藝管內徑)

b、工藝管與流量計需同心,同軸偏差不大于0.05DN


上一個產品:進口電磁流量計


020-32399500
qrCode